Autor: Vrabi

Výroba rozpěrné tyče

 

 

Jelikož mám ruskou konstruktérskou školu a tudíž ze všeho co  mi padne do ruky vyrobím tank, tak se vážně zabývám myšlenkou na celkové vyztužení a zpevnění karosérie.

Prvním krokem bylo vyztužení celého předku vozu a montáž ochranného rámu na předek vozu.

Pokud o tom chcete bližší info tak mi napište, ale předem upozorňuji že je to věc, která vysloveně dráždí naše bdělé strážce pořádku a navíc je poněkud nešetrná k chodcům a cyklistům.

 

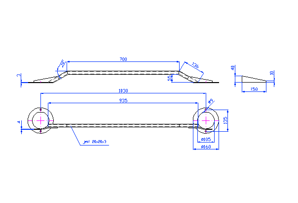
Druhým krokem byla výroba rozpěrné tyče mezi klobouky podběhů, z vlastní zkušenosti vím, že např. u vozidla Škoda Favorit má toto vysloveně pozitivní vliv na jízdní vlastnosti.

Vzor jsem vybral podle různých katalogů výrobců, kteří se zabývají těmito věcmi profesionálně.

Zavrhl jsem veškerý leštěný hliník a různé jiné výstřelky, které se hodí pro nějaké stylingáře, sice působí atraktivním dojmem, ale nemají téměř žádný praktický význam.

Dále jsem vybíral tyče které jsou co nejméně tvarované, protože každý ohyb znamená snížení mechanických vlastností.

Další nesmysl je tyč, která vede těsně vedle přepážky za motorem, protože tam už je karosérie dostatečně vyztužena.

Tudíž mi vyšlo že musím najít tyč jednou zahnutou a vynesenou co nejvíce do středu volného prostoru mezi maskou vozu a příčkou za motorem.

 

Pro výrobu je potřeba v první řadě sehnat vlastníka autogenu,který vlastní nástavec na hořák tzv. kružítko, je samozřejmě možné kroužky vyřezat za studena, ale to je na dlouho. U nás máme CNC plazmovou paličku takže to mám ještě o kus jednodušší. Další části jsou již naprosto bezproblémové, trojúhelníkové výztuhy lze vyrobit kdekoliv a kus jeklu se dá zakoupit v prodejně hutního materiálu, cena jeklu 20x20x3 v délce 1100 mm je asi 35,-. Pokud bych ale dělal tyč podruhé tak bych asi použil silnější jekl 25x25x3.

 

Jekl v místě ohybu nedořezáváme až do konce, nýbrž vyřízneme „V“ drážku a jekl ohneme.

Pak po nastehování ohybu jekl položíme na nějakou rovnou desku a oba konce zařízneme tak aby jejich spodní část byla v rovině.

Poté už stačí jen nejlépe přímo na autě nastehovat jekl ke kroužkům našroubovaným na podběh a nakonec venku vše důkladně posvařovat a navařit trojúhelníkové výztuhy.

 

Plánek co zde zveřejňuji je pro můj motor C18NZ a tudíž před případnou  výrobou pro jiný motor je nutno ověřit zda tyč nebude něčemu překážet.

 

Pokud by jste tyč nějak modifikovali, snažte se vyhnout dalším ohybům a veďte jí (v rámci možností) co nejvíce rovně.

 

Další v plánu je rozpěrná tyč mezi ramena nápravy, až bude hotová tak zveřejním dokumentaci a foto.

 

Nakonec jako bonbónek plánuji celou vnitřní klec do interiéru, ta bohužel ale přijde na řadu nejdříve příští sezónu.