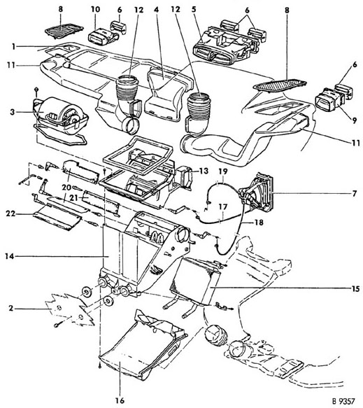
Topení

U vozu OPEL KADETT se pro vyhřívání vnitřku vozidla používá chladící kapalina motoru, která je vedena výměníkem tepla. Regulace teploty se uskutečňuje směšováním studeného a teplého vzduchu v tělese rozdělovače vzduchu nad topným tělesem. Klapka pro míchání vzduchu v tělese rozdělovače je ovládána plynule prostřední páčkou na střední konzole.V závislosti na poloze této páčky je proudící čerstvý vzduch více nebo méně zahříván. Regulace teploty se uskutečňuje plynule a nezávisle na počtu otáček motoru. Topný výkon je zesilován třístupňovým radiálním ventilátorem. Z prostředních výdechů (6) jde pouze studený vzduch.

  1 - Kryt přístrojové desky
  2 - Čelní stěna
  3 - Motorek ventilátoru
  4 - Potrubí rozdělovače vzduchu - střed
  5 - Vyústění čerstvého vzduchu - střed
  6 - Nástavec pro vyústění čerstvého a teplého vzduchu
  7 - Panel s ovládáním a páčkami
  8 - Vyústění pro odmrazování bočních skel
  9 - Vyústění teplého vzduchu na straně řidiče
10 - Vyústění teplého vzduchu na straně spolujezdce
11 - Boční potrubí rozdělovače vzduchu
12 - Potrubí rozdělovače vzduchu - čelní sklo
13 - Těleso rozdělovače vzduchu - horní část
14 - Těleso rozdělovače vzduchu - spodní část
15 - Topné těleso
16 - Víko tělesa rozdělovače vzduchu
17 - Lanovod klapky pro míchání vzduchu
18 - Horní lanovod klapky rozdělovače vzduchu
19 - Spodní lanovod klapky rozdělovače vzduchu
20 - Klapky míchání vzduchu
21 - Horní klapka rozdělovače vzduchu
22 - Spodní klapka rozdělovače vduchu